实验目的
实验任务
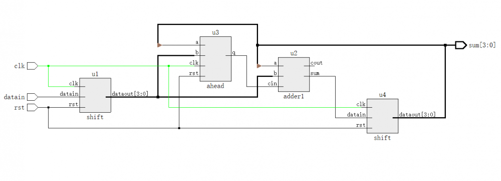
设计一个4位串行累加器,电路原理框图如图所示,在开关K处设置串行输入数据,在CP端输入8个脉冲,将完成一次,两个四位串行数据的相加,结果存D-A中。

实验原理
根据上述电路框图,可以分割系统任务。

累加器是一个具有特殊功能的二进制寄存器,可以存放计算产生的中间结果,省去了计算单元的读取操作,能加快计算单元的速度。串行累加器是由移位寄存器和全加器组成的一个求和电路。由题目给出的要求可以分析组合逻辑电路一是一个全加器电路;组合逻辑电路二和组合逻辑电路三加上JK触发器组成了加法超前进位电路,D-A是储存结果的寄存器。
顶层模块由4个模块组成:
Shift U1模块;输入的串行寄存器,把输入的串行数据转换成并行数据寄存
Adder U2模块:一位的二进制全加器模块,输入的进位信号由超前进位逻辑产生
Ahead U3模块:超前进位逻辑,根据题目要求用JK触发器产生超前进位
Shift U4模块:一位全加器输出再移位输出保存在4位寄存器中
Verilog HDL建模描述
设计文件accum4.v
moduleaccum4 ( inputwiredatain,//数据输入 inputwireclk,rst,//脉冲和复位输入信号 outputwire[3:0]sum//累加结果 ); wire[3:0]adder;//寄存器1,存储输入加数内容 wire[3:0]sumer;//寄存器2,存储被加数内容 wirecin;//全加器超前进位信号 wiresumout;//全加器输出 assignsum=sumer;//累加结果输出 shiftu1//移位寄存器,把数据存入加数寄存器 ( .clk(clk), .rst(rst), .datain(datain), .dataout(adder) ); adder1u2//全加器,两个寄存器的最低位相加,进位由超前进位逻辑输出 ( .a(sumer[0]), .b(adder[0]), .cin(cin),.sum(sumout), .cout());aheadu3//超前进位逻辑,产生进位信号 ( .a(sumer[0]),.b(adder[0]),.clk(clk),.rst(rst), .q(cin) ); shiftu4//移位寄存器,将全加器结果存入被加数寄存器 ( .clk(clk), .rst(rst), .datain(sumout), .dataout(sumer) ); endmodule
顶层文件里面例化了shift.v、adder1.v、ahead.v等模块,其中全加器和移位寄存器的源码文件在前面章节有介绍我们看看超前进位逻辑的源码ahead.v
//Description:超前进位逻辑产生 // JK触发器:Qi+1=J!Qi+!KQi // 全加器进位:Ci+1=AiBi+(Ai+Bi)Ci=AiBi!Ci+!(Ai+Bi)Ci // 推导得出:J=AiBi,K=!(Ai+Bi) //******************************************************** moduleahead ( inputwirea,b,clk,rst, outputwireq ); wirej,k;jk_ffu1//例化JK触发器 ( .clk(clk),.j(j),.k(k),.rst(rst),.set(), .q(q),.qb() ); assignj=a&b;//根据推导得到J,K与加法器输入信号逻辑关系 assignk=~(a|b); endmodule
仿真文件accum4_tb.v
`timescale1ns/100ps//仿真时间单位/时间精度 moduleaccum4_tb(); regclk,rst,datain; reg[7:0]data; wire[3:0]sum;//初始化过程块 initial begin clk=0; rst=0; data<=8'b00100001;//串行输入数据初值 #25 rst=1; end always#10clk=~clk; always@(posedgeclk)//产生串行输入数据 datain if(!rst) begin datain<=0; end else begin data<={0,data[7:1]}; datain<=data[0]; end //module调用例化格式 accum4u1 ( .clk (clk), .rst (rst), .datain(datain), .sum (sum) ); endmodule
实验步骤
仿真结果和实验现象
仿真结果如下图所示:

仿真文件的串行输入数据也是靠串行转并行移位寄存器输入,所以累加器计算的时钟要顺延8个clock得到结果。可以修改仿真文件中的串行输入数据初值验证累加器结果。
